选用须知:
首先针对工作对象的安装位置,确定机型,然后进行受力分析,确定所选用的推力(kg.f)、行程(mm)、速度(mm/s),然后以规格系列表选出合适的推杆。如有特殊要求,本公司可专门为您设计制造您所需的非系列产品。
电动推杆的外接的行程装置,电控箱和支撑架由顾客自备,如需要,我公司可代为配制,但应在订货合同中写明。
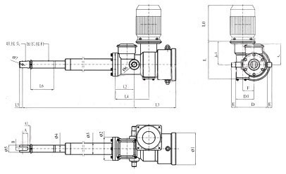
DTW型电动推杆主要技术性能参数、外形及安装尺寸:
| 序号 | 型号 |
功率 (kw) |
推力 |
速度 (mm/s) |
行程 s(mm) |
Lc | Ф1 | Ф2 | Ф3 | Ф4 | Ф5 | Ф6 | Ф7 | |||
| kg.f | KN | I | II | Lmin | Lmax | |||||||||||
| 1 |
DTW 300 |
0.37 | 300 | 3 | 3.8 | 7.6 |
100- 500 |
300 +S |
300 +2S |
180 | 130 | 63.5 | 40 | 40 | 25 | 12 |
| 2 |
DTW 500 |
0.55 | 500 | 5 | 4.6 | 9.2 |
100- 700 |
300 +S |
300 +2S |
180 | 130 | 63.5 | 40 | 40 | 25 | 12 |
| 3 |
DTW 700 |
0.55 | 700 | 7 | 3.5 | 7.0 |
100- 900 |
400 +S |
400 +2S |
180 | 155 | 80 | 46 | 48 | 35 | 16 |
| 4 |
DTW 1000 |
0.55 | 1000 | 10 | 3.5 | 7.0 |
100- 1000 |
400 +S |
400 +2S |
180 | 155 | 80 | 46 | 48 | 35 | 16 |
| 5 |
DTW 1600 |
0.75 | 1600 | 16 | 3.7 | 7.4 |
100- 1400 |
400 +S |
400 +2S |
220 | 145 | 102 | 70 | 70 | 35 | 25 |
| 6 |
DTW 2500 |
1.10 | 2500 | 25 | 4.6 | 9.2 |
100- 1600 |
442 +S |
442 +2S |
220 | 180 | 121 | 80 | 80 | 35 | 40 |
| 7 |
DTW 4000 |
1.50 | 4000 | 40 | 5.5 | 11.0 |
100- 1800 |
526 +S |
526 +2S |
230 | 220 | 121 | 80 | 80 | 40 | 40 |
| 8 |
DTW 5000 |
2.20 | 5000 | 50 | 5.5 | 11.0 |
100- 2000 |
670 +S |
670 +2S |
250 | 220 | 121 | 80 | 80 | 50 | 40 |
| 序号 | 型号 | A | A1 | B | (C) | D | D1 | E | F | L | L1 | L2 | L3 | L4 | L5 | L6 | L0 |
| 1 |
DTW 300 |
20 | 41 | 20 | 120 | 175 | 100 | 25 | 62 |
20 0 |
12 0 |
10 5 |
23 2 |
18 5 |
16 |
按 用 户 需 要 增 加 ( 表 中 设 为 0 ) |
按 减 速 机 形 式 尺 寸 确 定 ) |
| 2 |
DTW 500 |
20 | 41 | 20 | 120 | 175 | 100 | 25 | 62 |
20 0 |
12 0 |
10 5 |
23 2 |
18 5 |
16 | ||
| 3 |
DTW 700 |
25 | 45 | 20 | 125 | 210 | - | 25 | 63 |
25 0 |
13 8 |
14 2 |
24 0 |
21 0 |
30 | ||
| 4 |
DTW 1000 |
25 | 45 | 20 | 125 | 210 | - | 25 | 63 |
25 0 |
13 8 |
14 2 |
24 0 |
21 0 |
30 | ||
| 5 |
DTW 1600 |
50 | 70 | 30 | 130 | 288 | - | 30 | 93 |
28 5 |
17 0 |
13 0 |
26 0 |
22 2 |
35 | ||
| 6 |
DTW 2500 |
50 | 70 | 40 | 130 | 288 | - | 40 | 93 |
32 5 |
18 8 |
13 0 |
30 0 |
25 2 |
45 | ||
| 7 |
DTW 4000 |
50 | 70 | 40 | 145 | 330 | - | 40 | 106 |
27 5 |
14 5 |
20 0 |
28 5 |
30 5 |
45 | ||
| 8 |
DTW 5000 |
55 | 90 | 40 | 145 | 330 | - | 50 | 106 |
36 2 |
23 4 |
23 3 |
28 5 |
32 5 |
50 |
说明: 1、表中设定的速度为基本工作速度,在此速度数值上可按用户需要逐挡下减,慢速度3.50mm/s,用于污水处理滗水器慢速度可为0.25mm/s。
2、表中行程的确定,由用户可在范围内任选。
3、加长杆长度应加在LC内,为推杆伸出安装距尺寸。
4、图中“联街头”,“加长接杆”材质为1Cr18Ni9T(不锈钢),主要用于污水处理厂滗水器上。
